- Get link
- X
- Other Apps
- Get link
- X
- Other Apps
Cadillac Schaltplan Fenster Die Sicherungskasten Und Das Relais Für Cadillac Eldorado (1997-2002
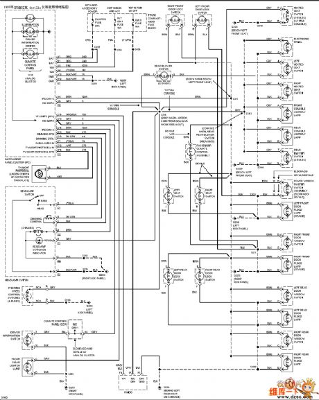
Die sicherungskasten und das relais für cadillac sts (2005-2011. Elektrischer schaltplan / wiring diagram cadillac deville brougham body. Manuals deville cupra
cadillac schaltplan fenster
Download PDF
If you are {looking for|searching about} Die Sicherungskasten und das Relais für Cadillac SRX (2004-2009 you've {came|visit} to the right {place|web|page}. We have 11 {Pics|Pictures|Images} about Die Sicherungskasten und das Relais für Cadillac SRX (2004-2009 like Die Sicherungskasten und das Relais für Cadillac XLR (2004-2009, Die Sicherungskasten und das Relais für Cadillac STS (2005-2011 and also 2000 Cadillac Deville Wiring Diagram Database - Wiring Diagram Sample. {Read more|Here you go|Here it is}:
Die sicherungskasten und das relais für cadillac escalade (gmt 800

Die sicherungskasten und das relais für cadillac dts (2005-2011. Die sicherungskasten und das relais für cadillac cts (2003-2007. Die sicherungskasten und das relais für cadillac srx (2004-2009. Die sicherungskasten und das relais für cadillac xlr (2004-2009
- Get link
- X
- Other Apps








Comments
Post a Comment